HZ-GFM Flanged Ferens facultatem componit onus radiale cum axiali alignment potestate, propter consilium flange integratum. Ex polymerorum calore confirmatis facta, incursus intermissos sustinet onera et misalignationem in nexus autocineti, HVAC dampers vel systemata tractantia materialia.
Core Features
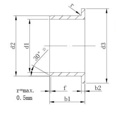
Flange Design: impedit axialem egisse; simplifies escendere in mollis-materia housings.
Materia: Fibra vitrea PA66 vel PEEK ad resistentiam elevatam resistentia (usque ad 180°C breve tempus confirmata).
Installation: Compatible cum instrumentis diurnariis (exampla serie PT-1350) pro conventu vivo.
Applications: Pump insterni, actus electrica duces, et TRADUCTOR scutulis duplicem directionalem stabilitatem requirunt.















